![]() |
![]() |
![]() |
|---|---|---|
| MFS | Pump In Throttled | Return Throttled |
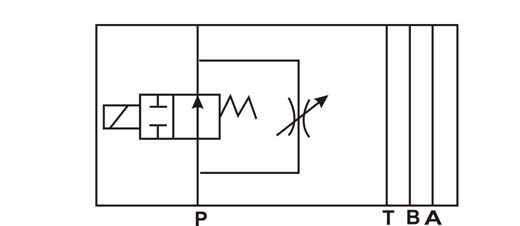
Modular Solenoid Controlled Throttle Valve
How to order
| MFS | –02 |
-B |
-20 |
-P |
-A2 |
Serial No. |
Port Size |
Coil Type |
Max Flow |
Throttle Type |
Voltage |
MFS |
02:1 / 4” |
A : Box |
l/min. |
P : pump in throttled |
A1 : AC110V A2 : AC220V D1 : DC12V D2 : DC24V |
Spec.
Model |
Max. Working Pressure |
Free Flow |
Weight |
Bar |
l/min |
kgs |
|
MFS-02 |
150 |
30 |
3.4 |
MFS-03 |
150 |
50 |
3.4 |